คุณสมบัติหลัก
-
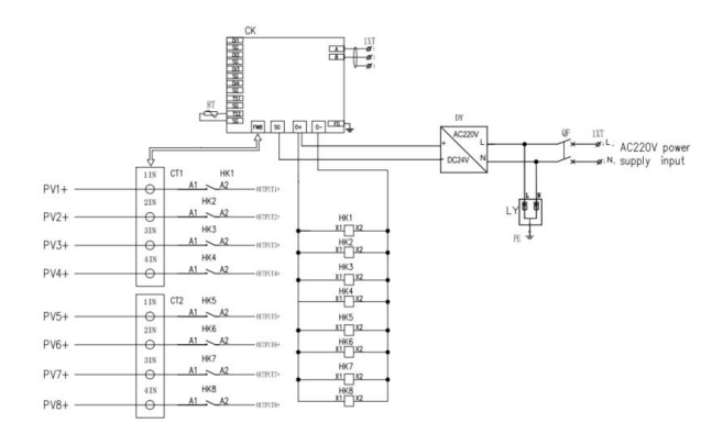
แต่ละกล่องรองรับสายไฟฟ้าโซลาร์เซลล์ 8 สาย และการทำงานแบบขนานรองรับระบบที่ใหญ่กว่า
-
เทคโนโลยี Fenggao IP ปรับให้เข้ากับอินเวอร์เตอร์ต่างๆ
-
การตรวจสอบระยะไกลโดยใช้ Modbus RS485
-
การตรวจจับข้อผิดพลาดส่วนโค้งสำหรับสตริง PV แต่ละเส้น
-
ความไวของส่วนป้องกันสามารถปรับได้
-
ผ่านการรับรอง UL 1699B 2018
B2B does not have purchase function
สอบถาม
B2B does not add shopping cart function
สินค้าที่เกี่ยวข้อง
ไม่มีเนื้อหา
ติดต่อกับเรา
ข้อมูลติดต่อ
+86-021-6071-7303
Service@mail.com
+66-9233-04370
หมายเลข 101, อาคาร 2, Mingpu Plaza, หมายเลข 3279 Sanlu Highway, Minhang District, Shanghai






